주요 기능
(1) 단일 범위 및 연속 범위;
(2) 레이저 범위의 명령에 응답하고 정지 명령에 따라 언제든지 범위를 중지 할 수 있습니다.
(3) 거리 측정 중 펄스 당 한 번 출력 거리 데이터 및 상태 정보;
(4) 전송 된 레이저 펄스의 누적 수를보고 할 수있다 (전력 손실 없음).
(5) 거리 선택, 전면 및 후면 대상 표시;
(6) 자기 테스트 기능.
제품 소개
B0610X 레이저 레인지 파인더 모듈은 항공기, 무인 항공 차량, 탱크 및 범위와 같은 응용 시나리오를 위해 설계된 군용 펄스 레이저 범위입니다. 크기가 적고, 가벼운 중량, 저전력 소비, 안정적인 성능, 긴 측정 거리 및 긴 서비스 수명, 인간의 눈 안전 및 기타 장점을 가지므로 제품을 목표로하는 제품을 개선하는 데 중요한 기술 장비입니다.
B0610X Eye-Safe LRF 모듈의 제품 성능 지수
| 목 |
기술 매개 변수 |
지침 |
| 모델 |
STA-B0610X |
| 작업 파장 |
1535 ± 5nm |
| 눈 안전 |
클래스 1 (IEC 60825-1) |
| 조리개 받기 |
φ25mm |
| 방출 조리개 |
φ14mm |
| 범위의 기능 |
50m-8000m |
| 범위 범위 |
≥10000m |
최대 범위, 관찰자 가시성 25km |
| ≥8000m |
구축 대상, 반사율 : 0.6, 관찰자 가시성 25km |
| ≥6000m |
나토 대상 |
| ≥3000m |
인간 목표 |
| ≥1000m |
UAV 대상 |
| 미니 범위 |
50m |
|
| 다중 표적 감지 |
최대 3 개의 목표 |
|
| 범위 정확도 |
± 1m |
3d |
| 범위의 주파수 |
1 ~ 10Hz 조정 가능 |
|
| 정확도 |
≥98% |
|
| 잘못된 경보 속도 |
1% |
|
| 분기 각도 |
≤0.5mrad |
|
| 통신 인터페이스 |
RS422 |
TTL/RS232 인터페이스를 사용자 정의 할 수 있습니다 |
| 전압 |
5 ~ 12V |
|
| 작업력 |
≤1.2w (@1Hz) |
정상 온도 테스트 |
| 대기 전원 |
≤0.5W |
pwr en 핀 사용 대기 0.1W |
| 기계적 충격 |
75g, 1ms |
|
| 작업 온도 |
-40 60+60 ℃ |
|
| 저장 온도 |
-45 7+70 ℃ |
|
| 신뢰할 수 있음 |
MTBF ≥ 1500H |
|
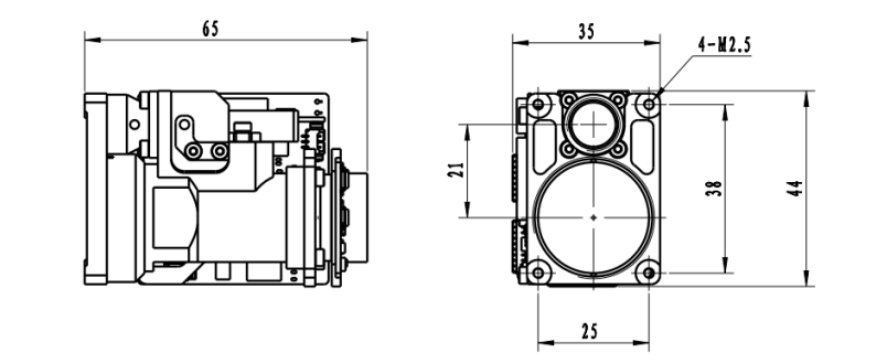
| 크기 |
≤65mm × 35mm × 44mm |
|
| 무게 |
≤75g |
|
| 주요 기능 |
첫 번째 및 마지막 대상 범위, 다중 표적 범위, 거리 선택도 |
참고 :
1) NATO 표적 크기 2.3 m × 2.3 m; 인간 표적 크기 0.5 m × 1.7 m; UAV 표적 크기 0.2 m × 0.3m; 반사율 30%, 관찰자 가시성 15km
구조 설치 인터페이스
외부 인터페이스
| 핀 |
정의 |
기능 |
메모 |
|
1
|
rx+ |
RS422 수신기 + |
파란색 |
|
2
|
RX-의 뜻 |
RS422 수신기 - |
녹색 |
|
3
|
Tx-의 뜻 |
RS422 전송 - |
보라 |
|
4
|
TX+ |
RS422 전송 + |
노란색 |
|
5
|
Gnd |
통신 접지선 |
하얀색 |
|
6
|
vee |
전원 공급 장치 + |
빨간색 |
|
7
|
Gnd |
전원 공급 장치 - |
검은색 |
|
8
|
Pwn과 |
/
|
금연 건강 증진 협회 |
환경 적응성
a) 작업 온도 : -40 ℃+60 ℃
B) 저장 온도 : -45 ℃+70 ℃
c) 임의의 진동 : 15 ℃ 2000Hz, 3 방향. 특정 테스트 조건은 표 1에 나와 있습니다.
표 1 무작위 진동 테스트 조건
| 일련 번호 |
주파수 범위 (HZ) |
가속도 스펙트럼 밀도 (G2/Hz) |
진동 시간 (최소) |
|
1
|
15 ~ 190 |
0.01
|
모든 방향으로의 진동 15 분 |
|
2
|
190 ~ 210 |
0.1
|
|
3
|
210 ~ 380 |
0.01
|
|
4
|
380 20 420 |
0.025
|
|
5
|
420 ~ 2000 |
0.01
|
OEM/ODM 범위 모듈 및 사용자 정의 솔루션
B0610X는 편리하고 강력하며 컴팩트 한 레이저 범위 솔루션을 찾고있는 시스템 통합기를 위해 설계되었습니다. 광범위한 응용 프로그램에서 안정적인 성능을 제공합니다.
매우 작고 초경량이며 전력 소비가 낮으며 장거리에서 측정 할 수 있습니다. 핸드 헬드 장치 (Thermal Imaging), 무기 장착 응용 프로그램, 휴대용 시스템 및 경량 센서 스위트 및 무인 항공 차량 또는 UGV에 적합합니다.
의사 소통 프로토콜
1. 전송 프로토콜 : 비동기 직렬 통신;
2. 항구 속도 : 115200;
3. 데이터 비트 : 10 비트 : 1 개의 시작 비트, 8 개의 데이터 비트, 1 스톱 비트, 유효하지 않은 검증;
4. 데이터 구조 : 데이터는 헤더 바이트, 명령 부품, 데이터 길이, 매개 변수 부분 및 체크 바이트로 구성됩니다.
5. 통신 모드 : 마스터 컨트롤은 컨트롤 명령을 범위 기계로 보냅니다. 범위의 상태에서, 범위가 큰 기계는 범위의 사이클에 따라 범위 기계의 데이터 및 상태를 상단 컴퓨터로 다시 보냅니다. 통신 형식 및 명령 내용은 다음 표에 나와 있습니다.
a) 메인 제어가 보냅니다
전송 될 메시지의 형식은 다음과 같습니다.
| STX0 |
CMD |
렌 |
데이터 1h |
Data1l |
CHK |
표 2 형식의 메시지에 대한 설명
| 주문 번호 |
이름 |
설명하다 |
암호 |
발언 |
|
1
|
STX0 |
메시지 시작 플래그 |
A5 (H) |
|
|
2
|
CMD |
CW |
표 3을 참조하십시오 |
|
|
3
|
렌 |
DL |
시작 마크, 명령 단어 및 체크섬을 제외한 모든 바이트의 수 |
|
|
4
|
datah |
매개 변수 |
표 3을 참조하십시오 |
|
|
5
|
도착 |
|
|
6
|
CHK |
xor 확인 |
유효한 바이트를 제외하고 다른 모든 바이트는 XEARD입니다. |
|
명령은 다음과 같이 설명됩니다.
표 3 마스터가 원거리 기계에 보낸 명령 및 데이터 단어 설명
| 주문 번호 |
CW |
기능 |
데이터 바이트 |
발언 |
길이 |
예제 코드 |
|
1
|
0x00 |
중지 |
datah = 00위한 (h 찾고 datal = 00위한 + 릿 |
레인지 파인더는 측정을 중지합니다 |
6 바이트 |
A5 00 02 00 A7 |
|
2
|
0x01 |
단일 범위 |
datah = 00위한 (h 찾고 datal = 00위한 + 릿 |
|
6 바이트 |
A5 01 02 00 00 A6 |
|
3
|
0x02 |
연속 범위 |
datah = xx + (h) datal = yy (h) |
데이터는 MS의 범위 기간을 설명합니다 |
6 바이트 |
A5 02 02 03 E8 4E (1Hz 범위) |
|
4
|
0x03 |
자가 확인 |
datah = 00위한 (h 찾고 datal = 00위한 + 릿 |
|
6 바이트 |
A5 02 02 00 A4 |
|
5
|
0x04 |
선택과 가장 가까운 거리를 설정하십시오 |
datah = xx + (h) datal = yy (h) |
데이터는 블라인드 존 값, 단위 1m을 설명합니다 |
6 바이트 |
A5 04 02 00 64 C7 (100m은 가장 가까운 거리) |
|
6
|
0x06 |
라이트 출력 쿼리의 누적 수 |
datah = 00위한 (h 찾고 datal = 00위한 + 릿 |
라이트 출력 쿼리의 누적 수 |
6 바이트 |
A5 06 02 00 A1 |
|
7
|
0x11 |
APD 전원이 켜져 있습니다 |
datah = 00위한 (h 찾고 datal = 00위한 + 릿 |
|
6 바이트 |
A5 11 02 00 B6 |
|
8
|
0x12 |
APD 전원이 꺼져 있습니다 |
datah = 00위한 (h 찾고 datal = 00위한 + 릿 |
|
6 바이트 |
A5 12 02 00 B5 |
|
9
|
0xeb |
번호 쿼리 |
datah = 00위한 (h 찾고 datal = 00위한 + 릿 |
번호 쿼리 |
6 바이트 |
A5 EB 02 00 00 4C |
a) 메인 제어는 형식을 수신합니다
수신 된 메시지의 형식은 다음과 같습니다.
수신 된 메시지에 대한 표 4 형식 설명
| 주문 번호 |
이름 |
설명하다 |
암호 |
발언 |
|
1
|
STX0 |
메시지 시작 플래그 1 |
A5 (H) |
|
|
2
|
CMD_JG |
데이터 명령 단어 |
표 5를 참조하십시오 |
|
|
3
|
렌 |
DL |
시작 마크, 명령 단어 및 체크섬을 제외한 모든 바이트의 수 |
|
|
4
|
DN |
매개 변수 |
표 5를 참조하십시오 |
|
|
5
|
D0 |
|
|
6
|
CHK |
xor 확인 |
유효한 바이트를 제외하고 다른 모든 바이트는 XEARD입니다. |
|
메인 제어 수신 상태 설명 :
표 5는 Rangefinder가 마스터 컨트롤러에 보낸 데이터 단어를 설명합니다.
| 주문 번호 |
CW |
기능 |
데이터 바이트 |
발언 |
전체 길이 |
|
1
|
0x00 |
중지 |
D1 = 00위한 (h) d0 = 00 − (h) |
|
6 바이트 |
|
2
|
0x03 |
자가 확인 |
d8 ~ d1 |
D8-D7 : -5V 전압, 단위 0.01V.D6-D5 : 사각 지대 값, 단위 1MD4 : APD 고전압 값, 단위 V; D3 : Char 유형, APD 온도를 나타내는 단위 : 섭씨; D2-D1 : +5V 전압, 단위 0.01V |
12 바이트 |
|
3
|
0x04 |
가장 가까운 액세스 설정까지의 거리, 단위 m |
D1 D0 |
데이터는 가장 가까운 거리 값, 단위 1m; 시작 하이 및 엔드가 낮음을 설명합니다. |
6 바이트 |
|
4
|
0x06 |
라이트 출력 쿼리의 누적 수 |
d3 ~ d0 |
데이터는 높은 바이트와 함께 4 바이트의 조명 수를 표현합니다. |
7 바이트 |
|
5
|
0x11 |
APD 전원이 켜져 있습니다 |
D1 = 00위한 (h) d0 = 00 − (h) |
APD 전원이 켜져 있습니다 |
6 바이트 |
|
6
|
0x12 |
APD 전원 끄기 |
D1 = 00위한 (h) d0 = 00 − (h) |
APD 전원이 꺼져 있습니다 |
6 바이트 |
|
7
|
0xed |
초과 근무 |
0x00 0x00 |
레이저는 레이저 작업 보호 아래에 있으며 측정 할 수 없습니다. |
6 바이트 |
|
8
|
0xee |
효율성 오류 |
0x00 0x00 |
|
6 바이트 |
|
9
|
0xef |
직렬 포트 통신 시간 초과 |
0x00 0x00 |
|
6 바이트 |
|
10
|
0x01 |
단일 범위 측정 (단일 대상, 두 번째 및 세 번째 대상의 경우 0, 대상의 시작 및 끝에서 세 번째 대상의 경우 0) |
D9D8 D7 D6D5 D4 D3D2 D1 D0 |
D8-D6 첫 번째 표적 거리 (단위 0.1m) D5-D3 두 번째 대상까지의 거리 (단위 : 0.1m) D2-D0 세 번째 대상 거리 (단위 0.1m) 3. 목표는 가까운 곳에서 Fard9 (Bit7-Bit0) 플래그 바이트입니다. D9는 주파를 나타내는 7 번째 위치입니다. 1 : 메인 파가 있습니다. 0 : 메인 파도가 없습니다 .D9는 Echo를 나타내는 6 번째 위치입니다. 1 : Echo, 0 : no echod9 다섯 번째 위치는 레이저 상태를 나타냅니다. 1 : 정상 레이저, 0 : 레이저 결함은 타임 아웃 플래그의 네 번째 비트, 1 : 정상, 0 : 타임 아웃 9는 3 번째 위치에서 유효하지 않음 (1로 설정); D9 두 번째 위치는 APD 상태를 나타냅니다. 1 : 정상, 0 : ERRORD9는 이전 대상이 있는지 여부를 나타내는 첫 번째 위치입니다. 1 : 이전 대상이 있습니다. 0 : 이전 대상이 없습니다 (맹인의 대상) D9 0 번째 비트는 후속 대상이 있는지 여부를 나타냅니다. 1 : 후속 대상이 있습니다. 0 : 후속 대상이 없습니다 (주 대상의 대상은 후속 목표입니다). |
14 바이트 |
|
11
|
0x02 |
연속 범위 (단일 대상, 두 번째 및 세 번째 대상의 경우 0, 대상의 시작과 끝에서 세 번째 대상의 경우 0) |
D9 D8 D7 D6D5 D4D2 D1 D0 |
D8-D6 첫 번째 표적 거리 (단위 0.1m) D5-D3 두 번째 대상까지의 거리 (단위 : 0.1m) D2-D0 세 번째 대상 거리 (단위 0.1m) 3. 목표는 가까운 곳에서 Fard9 (Bit7-Bit0) 플래그 바이트입니다. D9는 주파를 나타내는 7 번째 비트입니다. 1 : 메인 파가 있습니다. 0 : 메인 파도가 없습니다 .D9는 Echo를 나타내는 6 번째 위치입니다. 1 : Echo, 0 : no echod9 다섯 번째 위치는 레이저 상태를 나타냅니다. 1 : 정상 레이저, 0 : 레이저 결함 9는 타임 아웃 플래그의 네 번째 비트입니다. 1 : 정상, 0 : 타임 아웃 D9는 3 번째 위치에서 유효하지 않습니다 (1로 설정); D9 두 번째 위치는 APD 상태를 나타냅니다. 1 : 정상, 0 : ERRORD9는 이전 대상이 있는지 여부를 나타내는 첫 번째 위치입니다. 1 : 이전 대상이 있습니다. 0 : 이전 대상이 없습니다 (맹인의 대상) D9 0 번째 비트는 후속 대상이 있는지 여부를 나타냅니다. 1 : 후속 대상이 있습니다. 0 : 후속 대상이 없습니다 (주 대상의 대상은 후속 목표입니다). |
14 바이트 |
|
12
|
0xeb |
번호 쿼리 |
D17 …… D0 |
D17 D16 D15 D14 D13 D12 전체 기계 모델 Coded11d10 제품 번호 D6 소프트웨어 버전 D4 D4 APD 번호 D3 D2 레이저 번호 버전 D1의 FPGA |
22 바이트 |
| 참고 : ① 정의되지 않은 데이터 바이트/비트, 기본값은 0입니다. |
핫 태그: 6km 눈 안전 레이저 레인지 파인더 모듈 (LRF), 제조업체, 공급 업체, 공장, 중국, 중국에서 제작, 맞춤형, 고품질