> 제품 > 레이저 거리계 모듈 > 1535nm 레이저 거리 측정기 모듈 > 5km 시안 레이저 레인지 파인더 모듈
5km 시안 레이저 레인지 파인더 모듈
  • 5km 시안 레이저 레인지 파인더 모듈5km 시안 레이저 레인지 파인더 모듈
  • 5km 시안 레이저 레인지 파인더 모듈5km 시안 레이저 레인지 파인더 모듈
  • 5km 시안 레이저 레인지 파인더 모듈5km 시안 레이저 레인지 파인더 모듈

5km 시안 레이저 레인지 파인더 모듈

STA-B0510X는 인간의 눈 안전한 레이저 거리 측정 모듈로, 대상 거리를 감지하고 일련의 통신을 통해 측정 된 거리를 상부 컴퓨터로 전송할 수 있습니다. 가시성 ≥ 15km, 목표 반사율 ≥ 0.3, 습도 ≤ 80%, 차량 (2.3m x 2.3m NATO 대상) 범위의 거리 ≥5km; 최대 10km 이상.

문의 보내기

제품 설명
주요 기능

(1) 단일 범위 및 연속 범위;
(2) 레이저 범위의 명령에 응답하고 정지 명령에 따라 언제든지 범위를 중지 할 수 있습니다.
(3) 거리 측정 중 펄스 당 한 번 출력 거리 데이터 및 상태 정보;
(4) 전송 된 레이저 펄스의 누적 수를보고 할 수있다 (전력 손실 없음).
(5) 거리 선택, 전면 및 후면 대상 표시;
(6) 자기 테스트 기능.

제품 소개

B0510X 레이저 레인지 파인더 모듈은 항공기, 무인 항공 차량, 탱크 및 범위와 같은 응용 시나리오를 위해 설계된 군용 펄스 레이저 범위입니다. 크기가 적고, 가벼운 중량, 저전력 소비, 안정적인 성능, 긴 측정 거리 및 긴 서비스 수명, 인간의 눈 안전 및 기타 장점을 가지므로 제품을 목표로하는 제품을 개선하는 데 중요한 기술 장비입니다.

B0510X Eye-Safe LRF 모듈의 제품 성능 지수

기술 매개 변수 지침
모델 STA-B0510X
작업 파장 1535 ± 5nm
눈 안전 클래스 1 (IEC 60825-1)
조리개 받기 φ26mm
방출 조리개 φ14mm
범위의 기능 50m-10km
범위 범위 ≥10000m 최대 범위, 관찰자 가시성 25km
≥8000m 구축 대상, 반사율 : 0.6, 관찰자 가시성 25km
≥5000m 나토 대상
≥3000m 인간 목표
≥1000m UAV 대상
미니 범위 50m
다중 표적 감지 최대 3 개의 목표
범위 정확도 ± 1m 3d
범위의 주파수 1 ~ 10Hz 조정 가능
정확도 ≥98%
잘못된 경보 속도 1%
분기 각도 ≤0.5mrad
통신 인터페이스 RS422 / RS232 / TTL
전압 DC18 ~ 32V
작업력 ≤1.2w (@1Hz) 정상 온도 테스트
대기 전원 ≤0.5W 정상 온도 테스트
기계적 충격 75g, 1ms
작업 온도 -40 60+60 ℃
저장 온도 -45 7+70 ℃
신뢰할 수 있음 MTBF ≥ 1500H
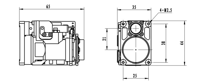
크기 ≤65mm × 35mm × 44mm
무게 ≤75g
주요 기능 첫 번째 및 마지막 대상 범위, 다중 표적 범위, 거리 선택도

참고 :

1) NATO 표적 크기 2.3 m × 2.3 m; 인간 표적 크기 0.5 m × 1.7 m; UAV 표적 크기 0.2 m × 0.3 중; 반사율 30%, 관찰자 가시성 15km

구조 설치 인터페이스



외부 인터페이스

커넥터 모델 : MDC1-15SW1
핀 번호 정의 기능 주목
1 vee 전력 입력 양성 DC18-36V
2 Gnd 전원 입력 접지
3 RS422_T/R+ RS485+/RS422 양성을 보냅니다
4 RS422_T/R- RS485+/RS422 전송 NAGATIVE
5 RS422_RXD- RS422는 음성을받습니다
6 RS422_RXD+ RS422는 양성을받습니다
7 RS232-TX RS232 보내기
8 RS232-RX RS232를 인수하십시오
9 TTL-TX TTL 보내기 3.3v
10 TTL-RX TTL을 인수합니다 3.3v
11 Gnd 의사 소통 장소
12 NC 번갈아 하는
13 NC 번갈아 하는
14 NC 번갈아 하는
15 NC 번갈아 하는

환경 적응성

a) 작업 온도 : -40 ℃+60 ℃.
B) 저장 온도 : -45 ℃+70 ℃.
c) 임의의 진동 : 15 ℃ 2000Hz, 3 방향. 특정 테스트 조건은 표 1에 나와 있습니다.

표 1 무작위 진동 테스트 조건

일련 번호 주파수 범위 (HZ) 가속도 스펙트럼 밀도 (G2/Hz) 진동 시간 (최소)
1 15 ~ 190 0.01 모든 방향으로의 진동 15 분
2 190 ~ 210 0.1
3 210 ~ 380 0.01
4 380 20 420 0.025
5 420 ~ 2000 0.01
OEM/ODM 범위 모듈 및 사용자 정의 솔루션

B0510X는 편리하고 강력하며 컴팩트 한 레이저 범위 솔루션을 찾고있는 시스템 통합기를 위해 설계되었습니다. 광범위한 응용 프로그램에서 안정적인 성능을 제공합니다.

매우 작고 초경량이며 전력 소비가 낮으며 장거리에서 측정 할 수 있습니다. 핸드 헬드 장치 (Thermal Imaging), 무기 장착 응용 프로그램, 휴대용 시스템 및 경량 센서 스위트 및 무인 항공 차량 또는 UGV에 적합합니다.

핫 태그: 5km 눈 안전한 레이저 범위 파인더 모듈, 제조업체, 공급 업체, 공급 업체, 공장, 중국에서 제작, 맞춤형, 고품질
관련 카테고리
문의 보내기
문의사항은 아래 양식으로 부담없이 보내주세요. 24시간 이내에 회신해 드리겠습니다.
X
We use cookies to offer you a better browsing experience, analyze site traffic and personalize content. By using this site, you agree to our use of cookies. Privacy Policy
Reject Accept